airplanebooksbriefcase business cogs cross election entertainment fish house law lockmedicalpeopleselfservices socialtax

Suliariumannittussarsiuussineq: B-1600 Dr. Ingridip Meeqqerivia, Uummannaq

Silaannarissaatit iluarsaanneri nutarternerilu
12. september 2018

19/9-18: aaqqitat

0919_RETTELSESBLAD NR 1.pdf

0919_V57200A_1 sal_RevA.pdf

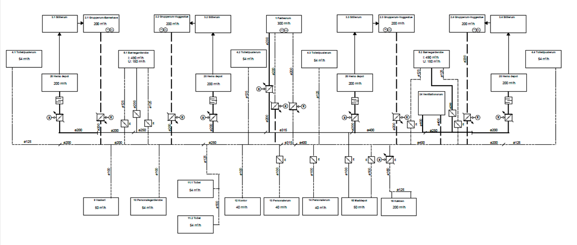
0919_V57401A_Principdiagram_Ventilation_RevA.pdf

0919_V-X-001_dokumentfortegnelse_VVS_RevA.pdf

_______________________________

Sanaartortitsisussaq, Avannaata Kommunia, Uummannaq, sinnerlugu matumuuna pisortatigoortumik suliassat makku suliariumannittussarsiunneqarput: 

  • Silaannarissaatit iluarsaanneri nutarternerilu

Suliamut ilaapput VVS, silaannarissarfiit aamma sarfap aqqutai tamakkiisumillu suliassatut suliariumannittussarsiuunneqarlutik.

Suliamik tigusinissami piffissalersuutit uku atuutsinneqassapput:

Suliariumannittussarsiuussinermi atortussiat nassiunneri

10.09.2018

Aperisinnaanermut piffissaliussaq

24.09.2018

Neqeroortitsineq

01.10.2018

Ulloq isumaqatigiissusiorfik

05.10.2018

Sumiiffimmi suliniutip ingerlannissaanik qimerluuataarineq

november 2018 aallartinnerani

Aallartinnissamut piffissalersuutit

november 2018 aallartinnerani

Naammassinninnissamut piffissaliussaq

Ull. 21. december 2018

Misissuataarineq, apeqqutit neqeroortitsinerlu.
Illumik qimerluuataarineq pisinnaavoq ingeniør Peter Mølstrøm attavigalugu, Sanaartornermut Avatangiisinullu Ingerlatsivik, Uummannaq – tlf.nr. 95 45 20 imaluunniit mail-kkut: pmo@avannaata.gl

Neqeroortitsinermut atortussatigut apeqquteqaatit
Neqeroortitsinermut atortussanut apeqquteqarniaraanni tamanna pisinnaavoq allakkatigut saaffiginninnermi uunga edp@cowi.com pingasunngorneq 24.september nallertinnagu

Neqeroornermik tunniussineq
Neqeroorutit mail: pmo@avannaata.gl –mut nassiutissapput

Neqeroorutit Avannaata Kommunianit kingusinnerpaamik 01.10.2018 nal. 10.00 tiguneqareersimassapput.

Neqeroorummi allassimaffimmi immersugassiat tamakkerlugit immersorsimanissaat suliakkiisussamiit piumasaqaataavoq.

Suliakkiinissamut allaaviuvoq neqeroorut akikinnerpaaq, tassuuna erseqqissaataassaaq arlaatigut allannguisinnaanerit immikkoortiterneqassammata neqeroorusiortunut allanut sanillersuullugit.

Erseqqissaatigineqassaaq sanaartukkap naammassinissaani naatsorsuutaammat Avannaata Kommuniata inaarutaasumik suliakkiutaasumi aningaasartuutinut akuersaarnissaa.

Inussiarnersumik inuulluaqqusillunga
COWI A/S
Edward Przeworski

01_US_B1600.pdf

02_I302_Plan_Stue_VVS.pdf

03_I303_Plan_Tagrum_VVS.pdf

04_I306_Varmediagram.pdf

05_I307_Ventilationsdiagram.pdf

06_SA_B1600.pdf

07_TL_VVS- og elarbejder.pdf

08_Bilag_samlet.pdf

09_Varmediagram_Ventilation.pdf

10_Stueplan_VVS_Ventilation.pdf

11_1 sal.pdf

12_Fælles opholdsrum.pdf

13_Ventilationsrum_Plan_snit.pdf

14_Principdiagram_Ventilation.pdf

15_dokumentfortegnelse_VVS_1.pdf